07 Mar,2023
إعلان بشأن الترشيح المقترح للإنجازات لجوائز العلوم والتكنولوجيا لمقاطعة تشجيانغ لعام 2022
جهاز الغسيل الكيميائي عبارة عن مرشح تنظيف متقدم. ويستخدم هيكلًا خاصًا ومساحة سطحية كبيرة محددة من التعبئة المنتظمة كتعبئة لنقل الكتلة والتجفيف. وفي الوقت نفسه، وفقًا للمكونات المختلفة المسببة للرائحة في الرائحة، يتم استخدام الحمض والقلويات والمواد المؤكسدة المقابلة كسائل غسيل بالامتصاص لإزالة الرائحة في الفضاء والقضاء على التأثير على البيئة المحيطة.
يتم نقل تدفق الهواء ذو الرائحة عبر قناة الهواء ويدخل البرج من مدخل البرج. بعد دخول البرج، يمر عبر طبقة التعبئة من الأسفل إلى الأعلى، وأخيراً يتم تفريغه من مخرج خط الأنابيب العلوي للبرج من خلال المروحة المضادة للتآكل. يمر المحلول المحايد عبر فاصل السائل في الجزء العلوي من البرج، ويرش بالتساوي في طبقة التعبئة، ويتدفق إلى أسفل على طول سطح طبقة التعبئة حتى يتم تفريغه من أسفل البرج عبر خط الأنابيب، ويتم تداوله بواسطة مضخة الدورة المضادة للتآكل. وبما أن تركيز المواد المذابة في تدفق الهواء الصاعد يصبح أقل فأقل، فإن وظيفة التنقية تتحقق عندما تصل إلى أعلى البرج، ويتم تفريغها أو الاستمرار في تنقيتها خلال الخطوة التالية. وعلى العكس من ذلك، يصبح تركيز الوسط في السائل الهابط أعلى وأعلى، ويصل إلى ظروف العملية عندما يصل إلى قاع البرج ويخرج من البرج.
مميزات برج تعبئة الرش: يتمتع بكفاءة عالية، وقدرة صغيرة على الاحتفاظ بالسوائل، وخفيف الوزن، وسهولة التشغيل، مما يسمح للعمال بالبدء على الفور. يمكن اختيار الحشو وفقًا لظروف العمل التي يوفرها العميل. هناك العديد من الأنواع، ويتم استخدام حلقات كروية مقاومة للتآكل بشكل عام. ومع ذلك، تجدر الإشارة إلى أن المواد الصلبة العالقة قد تسد مادة الحشو بسبب قطر جسيماتها الكبير، لذلك فهي غير مناسبة بشكل عام لمعالجة المواد الصلبة. على سبيل المثال، يمكن معالجة NH₃ وHCl وH₂S وأكاسيد النيتروجين وغاز النفايات العضوية الناتج عن المصانع بشكل فعال باستخدام هذه المعدات.
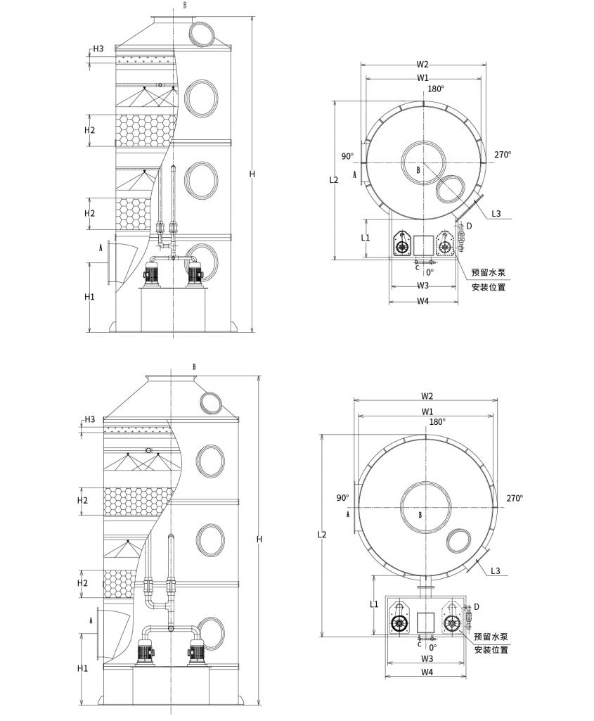
هيكل جهاز الغسيل الكيميائي:
كما هو موضح في الشكل: يتضمن نظام التنظيف بالرش المعبأ بالكامل المكونات التالية:
1. جسم البرج مصنوع من صفائح PP (البولي بروبيلين)؛
2. إطار دعم التعبئة مصنوع من ألواح شبكية PP؛
3. رش أنابيب التوصيل المصنوعة من مادة UPVC؛
4. فوهات حلزونية من مادة البولي بروبيلين؛
5. تعبئة الكرة المجوفة أو حلقة بال؛
6. مضخة الدورة الدموية المصنوعة من مادة البولي بروبيلين المقاومة للتآكل؛
7. طبقة إزالة الضباب الشبكية؛
8. أجهزة تجديد المياه اليدوية والأوتوماتيكية؛
9. أنابيب الفائض والصرف الصحي؛
10. نافذة التفتيش. 
اختيار جهاز الغسيل الكيميائي:
جدول المعلمات الفنية لجهاز غسل الرش المعبأ
لضمان راحة النقل وسلامته، تنقسم أجهزة التنظيف بالرش المعبأة بالبولي بروبلين إلى نوعين:
النوع 1: جهاز رش مدمج بخزان مياه (قطر البرج: Φ1000 مم - Φ2200 مم)
النوع 2: جهاز رش بخزان مياه من النوع المنقسم (قطر البرج: Φ2500 مم - Φ3500 مم)
مواصفات الموديل المقابلة لسعة تدفق الهواء:
| نموذج | حجم الهواء | حجم الجهاز | طاقة مضخة المياه | سمك الحشوة | سرعة الرياح | مواد المعدات |
| LRTL-600 | 0-1500m³/h | Φ600x3000 | 0.75kw | 500*2 | 1.48m/s | PP/304/Q235/FRP |
| LRTL-800 | 1501-2500m³/h | Φ800x3000 | 0.75kw | 500*2 | 1.39m/s | PP/304/Q235/FRP |
| LRTL-1000 | 2501-4000m³/h | 1000x5000 | 1.5kw | 500*2 | 1.42m/s | PP/304/Q235/FRP |
| LRTL-1200 | 4001-6000m³/h | Φ1200x5000 | 2.2kw | 500*2 | 1.48m/s | PP/304/Q235/FRP |
| LRTL-1500 | 6001-9500m³/h | 1500x5000 | 3.75kw | 500*2 | 1.5m/s | PP/304/Q235/FRP |
| LRTL-1800 | 9501-14000m³/h | 1800x5000 | 5.5kw | 500*2 | 1.53m/s | PP/304/Q235/FRP |
| LRTL-2000 | 14001-17000m³/h | 2000x6000 | 5.5kw | 500*2 | 1.5m/s | PP/304/Q235/FRP |
| LRTL-2200 | 17001-20000m³/h | 2200x6000 | 7.5kw | 500*2 | 1.46m/s | PP/304/Q235/FRP |
| LRTL-2500 | 20001-27000m³/h | Φ2500x6000 | 7.5kw | 500*2 | 1.53m/s | PP/304/Q235/FRP |
| LRTL-2800 | 27001-33000m³/h | 2800x6000 | 15kw | 500*2 | 1.49m/s | PP/304/Q235/FRP |
| LRTL-3000 | 33001-38000m³/h | Φ3000x6800 | 15kw | 500*2 | 1.49m/s | PP/304/Q235/FRP |
| LRTL-3200 | 38001-44000m³/h | Φ3200x6800 | 15kw | 500*2 | 1.52m/s | PP/304/Q235/FRP |
| LRTL-3500 | 44001-55000m³/h | Φ3500x6800 | 15kw | 500*2 | 1.5m/s | PP/304/Q235/FRP |
ملاحظة: يمكن تخصيص التصميمات غير القياسية وفقًا لمتطلبات العملاء.
مخطط الاختيار: 
عملاء وحدة الخدمة
القضايا الهندسية الوطنية
Hangzhou Lvran Environmental Protection Group Co., Ltd شركتنا هي شركة تقدم خدمات أنظمة معالجة الغاز العادم ومصنعة للمعدات تعمل على دمج الأبحاث العلمية والتصميم والتصنيع والتركيب وما بعد البيع.
تأسست الشركة في أبريل 2011. إنها مؤسسة وطنية للتكنولوجيا الفائقة، ومؤسسة تشجيانغ للعلوم والتكنولوجيا، وصناعة هانغتشو للتكنولوجيا الفائقة، ومركز للبحث والتطوير في المنطقة، ووحدة تصنيف ائتماني للشركات على مستوى AAA. لديها أكثر من 30 نموذج براءات اختراع وعدد من براءات الاختراع، وحقوق التأليف البرمجيات، ولديها التعاون طويل الأجل في مجال البحث والتطوير التقني مع الجامعات المحلية. حيث أنشأت "مركز البحث والتطوير للابتكار في مجال حماية البيئة" مع جامعة آنهوي للعلوم والتكنولوجيا واشترك في تطوير "مركز البحث والتطوير في مجال بيئة طاقة البلازما للتكنولوجيا الجديدة" مع جامعة تشجيانغ للتكنولوجيا لإنشاء قاعدة البحث والتطوير والإنتاج الخاصة بها للتعاون التقني المتعمق. حيث تمتلك التكنولوجيا الأساسية لمعالجة غاز المركبات العضوية المتطايرة، و "تأهيل المستوى الثاني للتعاقد العام على بناء الأشغال العامة البلدية"، و "رخصة إنتاج السلامة"، و "التصميم الخاص لمكافحة التلوث البيئي بمقاطعة تشجيانغ"، و "تأهيل العمالة"، و "التعاقد المهني الهندسي الخاص"، و "التعاقد المهني الإلكتروني والمذهل من الفئة الثانية"، و "رخصة إنتاج السلامة" والعديد من المؤهلات الأخرى، )، وقد اجتاز شهادة IS09001 لنظام الجودة الدولي، وشهادة ISO14001 لنظام الإدارة البيئية، وشهادة ISO45001 لنظام إدارة الصحة المهنية.
07 Mar,2023
06 Mar,2023