07 Mar,2023
إعلان بشأن الترشيح المقترح للإنجازات لجوائز العلوم والتكنولوجيا لمقاطعة تشجيانغ لعام 2022
يتميز برج الغسيل الإعصاري عادةً بجسم برج أسطواني مجهز بألواح حاجزة حلزونية. أثناء التشغيل، يدخل غاز المداخن من أسفل البرج بشكل عرضي ويتدفق إلى الأعلى. بتوجيه من شفرات الألواح الحاجزة، يلتف الغاز لأعلى، مما يؤدي إلى تفتيت السائل المتدفق أسفل الألواح إلى قطرات دقيقة. يؤدي هذا إلى إنشاء منطقة اتصال كبيرة بين الغاز والسائل. يحمل تيار الغاز القطرات وتدور، مما يولد قوة طرد مركزي تعزز التفاعل بين الغاز والسائل. في النهاية، يتم إلقاء القطرات على جدار البرج، وتتدفق إلى الأسفل على طول الجدار إلى اللوحة الحاجزة التالية، ويتم إعادة تفتيتها بواسطة تيار الغاز لمزيد من الاتصال. كما هو موضح، يحقق السائل اتصالاً كاملاً مع الغاز مع الحفاظ على الفصل الفعال — تقليل احتجاز الضباب. تبلغ سعة تحميل الغاز والسائل لهذا النظام أكثر من ضعف سعة الألواح الحاجزة التقليدية.
تضمن ظروف التلامس الممتازة بين الغاز والسائل في البرج امتصاصًا فعالاً لغازات النفايات بواسطة السوائل القلوية. بالإضافة إلى ذلك، يُظهر برج الغسيل الإعصاري أداءً فائقًا في إزالة الغبار. يتم التقاط جزيئات الغبار الموجودة في الغاز بواسطة رذاذ الماء الموجود على الألواح الحاجزة الحلزونية، كما تتم إزالة الجزيئات والقطرات التي يتم إلقاؤها على جدار البرج بواسطة قوة الطرد المركزي بشكل فعال. ونتيجة لذلك، فإن الغاز الخارج من البرج يحمل الحد الأدنى من الغبار والقطرات. تتراوح سرعة الرياح في البرج الفارغ بين 2.2–2.7 متر/ثانية.
هيكل برج الرش الدوامي:
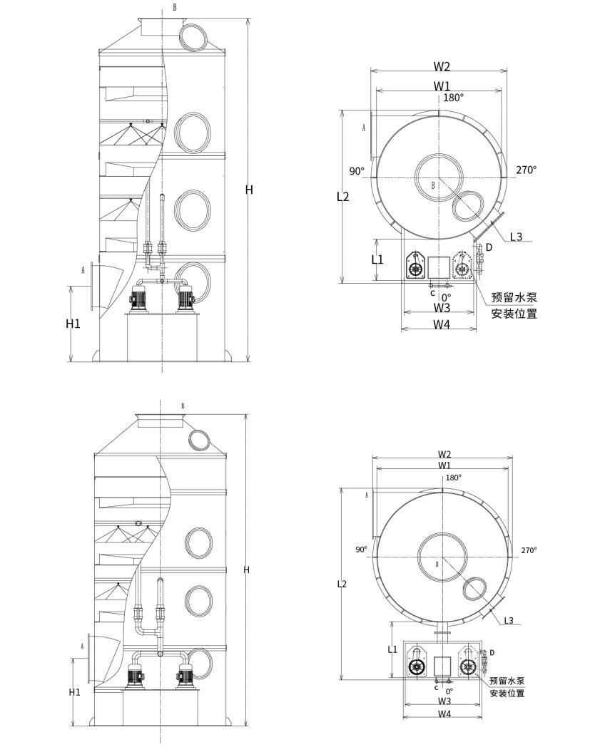
كما هو موضح في الشكل: يتضمن نظام التنظيف بالرش المعبأ بالكامل المكونات التالية:
● جسم البرج مصنوع من صفائح PP (البولي بروبيلين)؛
● إطار مصنوع من حواجز حلزونية من مادة PP؛
● رش أنابيب التوصيل المصنوعة من مادة UPVC (كلوريد البولي فينيل غير الملدن)؛
● فوهات حلزونية من مادة البولي بروبيلين؛
● مضخة دوران PP مقاومة للتآكل؛
● طبقة إزالة الضباب (نوع الشبكة/الإعصار/الحاجز)؛
● أجهزة تجديد المياه اليدوية والأوتوماتيكية؛
● أنابيب الفائض والصرف الصحي؛
● نافذة التفتيش.

معلمات اختيار برج لوحة الإعصار:
لضمان راحة النقل وسلامته، يتم تقسيم أبراج غسيل الأعاصير المصنوعة من مادة البولي بروبيلين إلى فئتين من المواصفات:
النوع 1: جهاز غسيل إعصاري متكامل لخزان المياه (قطر البرج: Φ1000 مم - Φ2200 مم)
النوع 2: جهاز غسيل المياه الإعصاري من النوع المنقسم (قطر البرج: Φ2500 مم - Φ3500 مم)
نماذج برج غسيل الأعاصير المقابلة لسعة تدفق الهواء:
| نموذج | نطاق حجم الهواء | حجم الجهاز | طاقة مضخة المياه | عدد الشفرات الدوامية | مدى سرعة الرياح | مواد المعدات |
| XL-600 | 0-2800m³/h | Φ600×2950 | 0.75kw | 2 | 0-2.76m/s | PP/304/Q235/FRP |
| XL-800 | 3800-5000m³/h | Φ800×3300 | 0.75kw | 2 | 2.11-2.77m/s | PP/304/Q235/FRP |
| XL-1000 | 6000-7500m³/h | Φ1000×4380 | 1.5kw | 2 | 2.13-2.66m/s | PP/304/Q235/FRP |
| XL-1200 | 8500-11000m³/h | Φ1200×4430 | 2.2kw | 2 | 2.09-2.71m/s | PP/304/Q235/FRP |
| XL-1500 | 14000-17000m³/h | Φ1500×5000 | 3.75kw | 2 | 2.2-2.68m/s | PP/304/Q235/FRP |
| XL-1800 | 20000-25000m³/h | Φ1800×5650 | 5.5kw | 2 | 2.19-2.73m/s | PP/304/Q235/FRP |
| XL-2000 | 25001-30000m³/h | Φ2000×6200 | 5.5kw | 2 | 2.21-2.66m/s | PP/304/Q235/FRP |
| XL-2200 | 30001-37000m³/h | Φ2200×6700 | 7.5kw | 2 | 2.19-2.71m/s | PP/304/Q235/FRP |
| XL-2500 | 40000-47000m³/h | Φ2500×6850 | 7.5kw | 2 | 2.27-2.66m/s | PP/304/Q235/FRP |
| XL-2800 | 49000-58000m³/h | Φ2800×7900 | 11kw | 2 | 2.21-2.62m/s | PP/304/Q235/FRP |
| XL-3000 | 58000-68000m³/h | Φ3000×8000 | 11kw | 2 | 2.28-2.67m/s | PP/304/Q235/FRP |
| XL-3200 | 68000-78000m³/h | Φ3200×8000 | 15kw | 2 | 2.35-2.7m/s | PP/304/Q235/FRP |
| XL-3500 | 78000-88000m³/h | Φ3500×8000 | 15kw | 2 | 2.25-2.54m/s | PP/304/Q235/FRP |
ملحوظة: يمكن إجراء التصميمات غير القياسية وفقًا لمتطلبات العملاء.
مخطط الاختيار: 
عملاء وحدة الخدمة
القضايا الهندسية الوطنية
Hangzhou Lvran Environmental Protection Group Co., Ltd شركتنا هي شركة تقدم خدمات أنظمة معالجة الغاز العادم ومصنعة للمعدات تعمل على دمج الأبحاث العلمية والتصميم والتصنيع والتركيب وما بعد البيع.
تأسست الشركة في أبريل 2011. إنها مؤسسة وطنية للتكنولوجيا الفائقة، ومؤسسة تشجيانغ للعلوم والتكنولوجيا، وصناعة هانغتشو للتكنولوجيا الفائقة، ومركز للبحث والتطوير في المنطقة، ووحدة تصنيف ائتماني للشركات على مستوى AAA. لديها أكثر من 30 نموذج براءات اختراع وعدد من براءات الاختراع، وحقوق التأليف البرمجيات، ولديها التعاون طويل الأجل في مجال البحث والتطوير التقني مع الجامعات المحلية. حيث أنشأت "مركز البحث والتطوير للابتكار في مجال حماية البيئة" مع جامعة آنهوي للعلوم والتكنولوجيا واشترك في تطوير "مركز البحث والتطوير في مجال بيئة طاقة البلازما للتكنولوجيا الجديدة" مع جامعة تشجيانغ للتكنولوجيا لإنشاء قاعدة البحث والتطوير والإنتاج الخاصة بها للتعاون التقني المتعمق. حيث تمتلك التكنولوجيا الأساسية لمعالجة غاز المركبات العضوية المتطايرة، و "تأهيل المستوى الثاني للتعاقد العام على بناء الأشغال العامة البلدية"، و "رخصة إنتاج السلامة"، و "التصميم الخاص لمكافحة التلوث البيئي بمقاطعة تشجيانغ"، و "تأهيل العمالة"، و "التعاقد المهني الهندسي الخاص"، و "التعاقد المهني الإلكتروني والمذهل من الفئة الثانية"، و "رخصة إنتاج السلامة" والعديد من المؤهلات الأخرى، )، وقد اجتاز شهادة IS09001 لنظام الجودة الدولي، وشهادة ISO14001 لنظام الإدارة البيئية، وشهادة ISO45001 لنظام إدارة الصحة المهنية.
07 Mar,2023
06 Mar,2023