• برج رش FRP
  • برج رش FRP
  • برج رش FRP
  • برج رش FRP
  • برج رش FRP
  • برج رش FRP
  • برج رش FRP
  • برج رش FRP
  • برج رش FRP
  • برج رش FRP
  • برج رش FRP

برج رش FRP

برج الرش FRP (المعروف أيضًا باسم برج تنقية الضباب الحمضي) هو جهاز معالجة غاز النفايات من النوع الرطب مع غلاف من البلاستيك المقوى بالألياف الزجاجية (FRP). فهو يجمع بين مقاومة التآكل وخفة الوزن والقوة العالية والتكلفة المنخفضة. وتتمثل وظيفتها الأساسية في إزالة الملوثات الحمضية أو القلوية القابلة للذوبان من غاز النفايات من خلال مزيج من الاتصال بالتيار المعاكس بين الغاز والسائل، ونقل الكتلة من خلال الحشو، والامتصاص الكيميائي/الفيزيائي.

مبدأ العمل (عملية من أربع خطوات)
آلية وصف عملية المرحلة
1. مدخل غاز النفايات: يتم إدخال غاز النفايات الملوث إلى البرج من الأسفل بواسطة مروحة ويتم توزيعه بالتساوي من خلال موزع الغاز. وهذا يمنع انحراف التدفق ويحسن كفاءة الامتصاص.

2. نقل الكتلة من خلال الحشو: يتدفق الغاز العادم لأعلى من خلال طبقة حشو FRP(حلقات حورية/حلقات راشيغ)، حيث يتصل العداد حاليا بسائل الامتصاص (محلول قلوي أو حمض أو ماء) الذي يتم رشه من أعلى إلى أسفل. يزيد من منطقة الاتصال بين الغاز والسائل ويطيل وقت الإقامة.

3. تفاعل الامتصاص: يتم إذابة أو تحييد الملوثات مثل حمض الهيدروكلوريك، وHF، وNH₃، وH₂S، وSO₂، ورذاذ حمض الكروميك الموجود في غاز العادم بواسطة سائل الغسل، مما ينتج عنه أملاح غير ضارة. التفاعل الكيميائي: على سبيل المثال، HCl NaOH → NaCl H₂O.
4. إزالة الضباب والانبعاث: يمر الغاز المنقى عبر حواجز FRP أو مزيلات الضباب الشبكية السلكية لإزالة القطرات قبل تفريغه وفقًا للمعايير القياسية بواسطة المروحة العلوية. منع التلوث الثانوي "بالدخان الأبيض"

بيئات الغاز المطبقة (السيناريوهات النموذجية)
خصائص غاز معالجة الصناعة
المواد الكيميائية/الصيدلانية: حمض الهيدروكلوريك، HF، H₂S، NH₃، SO₂، HCN، إلخ. تركيزات عالية، تآكل قوي، درجات حرارة عالية (≤80°C)
الطلاء الكهربائي/التخليل: رذاذ حمض الكروميك، رذاذ حمض النيتريك، سيانيد الهيدروجين. يحتوي على أيونات المعادن الثقيلة، وخصائص مؤكسدة قوية
محطات حرق النفايات/معالجة مياه الصرف الصحي: الرائحة الكريهة (NH₃، H₂S)، المركابتان العضوي، التركيب المعقد، الانبعاثات المتقطعة
الإلكترونيات/أشباه الموصلات: السيلان والفوسفين وأكاسيد النيتروجين والغبار المحتوي على الفلور والسيليكون
المختبر/الطباعة: الفورمالديهايد، الفينولات، المركبات العضوية المتطايرة، تقلبات التركيز الكبيرة، انخفاض حجم الهواء

مزايا مادة FRP
- مقاومة قوية للتآكل: يتحمل الغمر طويل الأمد في 30% حمض الهيدروكلوريك، 50% حمض الكبريتيك، حمض الهيدروفلوريك، والمحاليل القلوية.
- خفيف الوزن وعالي القوة: يزن ربع وزن الفولاذ فقط، ومع ذلك يتمتع بقوة قريبة من قوة الفولاذ، فهو سهل التركيب والنقل.
- عزل ممتاز: مناسب للمواقع التي تحتوي على معدات كهربائية، مما يمنع تراكم الكهرباء الساكنة.
- نطاق درجة الحرارة: -30°C إلى 80°C (يمكن أن تصل الراتنجات الخاصة إلى 120°C).

احتياطات
- بالنسبة لغازات العادم التي تحتوي على حمض الهيدروفلوريك، استخدم راتنج فينيل إستر FRP لمنع تآكل الألياف الزجاجية.
- بالنسبة لغازات العادم ذات درجة الحرارة العالية (>80°C)، يلزم وجود مبرد مسبق لمنع تدهور FRP.
- الصيانة الدورية: فحص انسداد الفوهة، وأوساخ التعبئة، وتراكم غبار إزالة الضباب كل 3-6 أشهر.

يستخدم برج الرش FRP مزيجًا من الامتصاص الكيميائي لنقل كتلة تعبئة الرش بالتيار المعاكس لمعالجة الضباب الحمضي والضباب القلوي والرائحة وبعض المركبات العضوية المتطايرة بكفاءة. وفي ظروف العمل المسببة للتآكل مثل الصناعة الكيميائية والطلاء الكهربائي ومحطات معالجة مياه الصرف الصحي والمختبرات، فإنه يجمع بين كفاءة التنقية العالية (90-98%) ومزايا التكلفة المنخفضة. إنها المعدات المفضلة لمعالجة أحجام الهواء الصغيرة والمتوسطة والتركيزات المتوسطة إلى العالية من غازات النفايات الحمضية والقلوية.

اختيار جهاز الغسيل الكيميائي
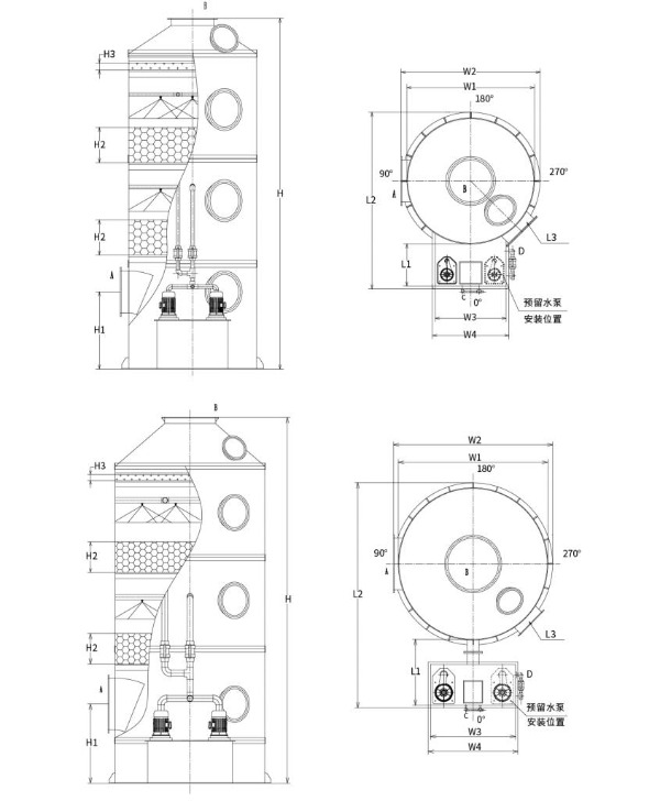
جدول المواصفات الفنية لأجهزة غسل الرش المعبأة
من أجل راحة النقل وسلامته، يتم تصنيف أجهزة غسل الغاز بالرش المعبأة بمادة PP إلى نوعين:
النوع 1: جهاز رش معبأ بخزان متكامل (قطر البرج: Φ1000 مم–Φ2200 مم)
النوع 2: جهاز رش بخزان مياه من النوع المنقسم (قطر البرج: Φ2500 مم–Φ3500 مم)
النماذج المقابلة لسعة تدفق الهواء للأبراج المعبأة:

نموذج سعة تدفق الهواء (م³/ساعة) أبعاد المعدات طاقة المضخة سمك التعبئة سرعة الرياح مواد المعدات
LRTL-600 0 - 1500m³/h Φ600×3000 0.75kw 500*2 1.48m/s PP/304/Q235/FRP
LRTL-800 1501 - 2500m³/h Φ800×3000 0.75kw 500*2 1.39m/s PP/304/Q235/FRP
LRTL-1000 2501 - 4000m³/h Φ1000×5000 1.5kw 500*2 1.42m/s PP/304/Q235/FRP
LRTL-1200 4001 - 6000m³/h Φ1200×5000 2.2kw 500*2 1.48m/s PP/304/Q235/FRP
LRTL-1500 6001 - 9500m³/h Φ1500×5000 3.75kw 500*2 1.5m/s PP/304/Q235/FRP
LRTL-1800 9501 - 14000m³/h Φ1800×5000 5.5kw 500*2 1.53m/s PP/304/Q235/FRP
LRTL-2000 14001 - 17000m³/h Φ2000×6000 5.5kw 500*2 1.5m/s PP/304/Q235/FRP
LRTL-2200 17001 - 20000m³/h Φ2200×6000 7.5kw 500*2 1.46m/s PP/304/Q235/FRP
LRTL-2500 20001 - 27000m³/h Φ2500×6000 7.5kw 500*2 1.53m/s PP/304/Q235/FRP
LRTL-2800 27001 - 33000m³/h Φ2800×6000 15kw 500*2 1.49m/s PP/304/Q235/FRP
LRTL-3000 33001 - 38000m³/h Φ3000×6800 15kw 500*2 1.49m/s PP/304/Q235/FRP
LRTL-3200 38001 - 44000m³/h Φ3200×6800 15kw 500*2 1.52m/s PP/304/Q235/FRP
LRTL-3500 44001 - 55000m³/h Φ3500×6800 15kw 500*2 1.5m/s PP/304/Q235/FRP

ملحوظة: يمكن توفير تصميمات مخصصة بناءً على طلب العميل.

مخطط الاختيار:

شركة مجموعة هانغتشو لفران لحماية البيئة المحدودة.

  • 1000+

    عملاء وحدة الخدمة

  • 2000+

    القضايا الهندسية الوطنية

Hangzhou Lvran Environmental Protection Group Co., Ltd شركتنا هي شركة تقدم خدمات أنظمة معالجة الغاز العادم ومصنعة للمعدات تعمل على دمج الأبحاث العلمية والتصميم والتصنيع والتركيب وما بعد البيع.

تأسست الشركة في أبريل 2011. إنها مؤسسة وطنية للتكنولوجيا الفائقة، ومؤسسة تشجيانغ للعلوم والتكنولوجيا، وصناعة هانغتشو للتكنولوجيا الفائقة، ومركز للبحث والتطوير في المنطقة، ووحدة تصنيف ائتماني للشركات على مستوى AAA. لديها أكثر من 30 نموذج براءات اختراع وعدد من براءات الاختراع، وحقوق التأليف البرمجيات، ولديها التعاون طويل الأجل في مجال البحث والتطوير التقني مع الجامعات المحلية. حيث أنشأت "مركز البحث والتطوير للابتكار في مجال حماية البيئة" مع جامعة آنهوي للعلوم والتكنولوجيا واشترك في تطوير "مركز البحث والتطوير في مجال بيئة طاقة البلازما للتكنولوجيا الجديدة" مع جامعة تشجيانغ للتكنولوجيا لإنشاء قاعدة البحث والتطوير والإنتاج الخاصة بها للتعاون التقني المتعمق. حيث تمتلك التكنولوجيا الأساسية لمعالجة غاز المركبات العضوية المتطايرة، و "تأهيل المستوى الثاني للتعاقد العام على بناء الأشغال العامة البلدية"، و "رخصة إنتاج السلامة"، و "التصميم الخاص لمكافحة التلوث البيئي بمقاطعة تشجيانغ"، و "تأهيل العمالة"، و "التعاقد المهني الهندسي الخاص"، و "التعاقد المهني الإلكتروني والمذهل من الفئة الثانية"، و "رخصة إنتاج السلامة" والعديد من المؤهلات الأخرى، )، وقد اجتاز شهادة IS09001 لنظام الجودة الدولي، وشهادة ISO14001 لنظام الإدارة البيئية، وشهادة ISO45001 لنظام إدارة الصحة المهنية.

الشرف والشهادة

إن التكريمات التالية تمثل تألقنا. نحن نكسب العملاء بمنتجات عالية الجودة ونحظى بإشادة كبيرة من السوق ومن جميع مناحي الحياة بخدمات جيدة.

  • وحدة أساسية ذات مجال كهربائي عالي من النوع اللوحي ومفاعل لمنع التسرب على طول السطح
  • جهاز تفاعل لتصنيع الميثانول باستخدام ثاني أكسيد الكربون والماء وطريقة لتصنيع الميثانول باستخدام ثاني أكسيد الكربون والماء
  • مرسب إلكتروستاتيكي ذاتي التنظيف
  • مروحة عالية الضغط مقاومة للتآكل مع وظيفة تعديل اتجاه الرياح
  • مروحة عالية السعة قابلة للتعديل ذاتية التنظيف
  • نظام التحكم في المعالجة المسبقة لغاز العادم الناتج عن التغويز التحفيزي المشترك
  • تنظيف البخار، نظام تنقية ومعالجة غاز العادم المستمر في المجال الكهروستاتيكي
  • نظام معدات تنقية غاز العادم بالتحلل الضوئي للأشعة فوق البنفسجية للبلازما ذات درجة الحرارة المنخفضة
  • شهادة تسجيل العلامة التجارية
الأخبار والأحداث الأخيرة
شارك معك
عرض المزيد من الأخبار
  • 16 Mar,2026

    ما هي معدات امتصاص الكربون المنشط؟
    معدات امتصاص الكربون المنشط هو نظام صناعي لتنقية الهواء والماء يستخدم مساحة السطح العالية بشكل استثنائي وبنية المسام للكربون المنشط لإزالة الملوثات العضوية والمركبات العضوية المتطايرة ...
  • 10 Mar,2026

    كيفية تصميم مجمع الغبار Baghouse؟
    أساسيات تحجيم النظام كفاءة أ جامع الغبار Baghouse يعتمد على دقة معلمات التصميم الأولية. يؤدي الحجم غير الصحيح إلى عدم التقاط الغبار بشكل كافٍ، وتكاليف التشغيل المفرطة، والفشل المبك...
  • 03 Mar,2026

    ما هي أفضل معدات تجميع الغبار لمصنعك؟
    اختيار الأمثل معدات جمع الغبار بالنسبة لمنشأة صناعية هو قرار هندسي معقد يؤثر على سلامة العمال، والامتثال التنظيمي، وجودة المنتج، والكفاءة التشغيلية. ومع المعايير الصارمة مثل OSHأ PELs...
  • 23 Feb,2026

    هل جهاز الغسيل الكيميائي هو الحل الأفضل لنفايات الغاز؟
    في المشهد المعاصر للامتثال البيئي الصناعي، أصبح التخفيف من ملوثات الهواء الخطرة حجر الزاوية في الاستراتيجيات التشغيلية المستدامة. ومن بين التقنيات المختلفة المتاحة، جهاز غسيل كيميائي ...
  • 16 Feb,2026

    لماذا نستخدم معدات امتصاص الكربون المنشط؟
    نظرة عامة على معدات امتصاص الكربون المنشط معدات امتصاص الكربون المنشط هي واحدة من التقنيات الأكثر تطبيقًا على نطاق واسع في معالجة غازات النفايات الصناعية، خاصة للتحكم في المركبات ال...
  • 09 Feb,2026

    لماذا تختار جهاز تجميع الغبار الكيسي لجودة الهواء الصناعي؟
    في المشهد المعقد للتصنيع الصناعي الحديث، لا تعد المحافظة على جودة الهواء مجرد متطلب تنظيمي، ولكنها عنصر حاسم في التميز التشغيلي وسلامة القوى العاملة. من بين التقنيات المختلفة المتاحة للتحكم في الجس...